
撥動世界 智造未來
小型化電子零部件制造廠家
專注?撥動開關研發生產 · 十年行業經驗
關于三腳二檔撥動開關的介紹
三腳二檔撥動開關是一種常用的電子開關,也是最簡單實用的開關之一,被廣泛應用于家庭電器、汽車電氣設備、電子設備及機械等方面。

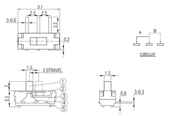
1. 開關的結構
三腳二檔撥動開關的結構一般由三個針腳和兩個檔位的開關部分組成。面板上的三個針腳用于接入電源線、負載線和控制線,兩個檔位可以將電流路經切換到相應輸出端口,操作簡單,結構緊湊,易于安裝。
2. 開關的分類
根據不同的使用場景和功能需求,三腳二檔撥動開關可以分為多種類型。一般情況下,開關的分類主要包括單極開關和雙極開關等。
單極開關通常只有兩個接口,可以控制一個電子元件或設備的開或關。而雙極開關則有四個接口,可以控制2個電子元件或設備的互相切換。此外,還有一些中間位置有OFF檔的三腳二檔開關,可以將電流中斷。
3. 開關的使用方法
使用三腳二檔撥動開關時應注意一些問題。在安裝開關之前,必須先排除電源以避免任何潛在的安全問題。安裝后應該檢查針腳連接是否正確,以免引起電路短路,導致電子設備故障。
三腳兩檔撥動開關接線圖

當開關操作時,需要注意將開關撥到正確位置,以切換電流路經。在切換中,應該記住要關注電路的負載支持電流以防止電路短路。此外,還要避免在高電壓和高電流的情況下使用開關,以免開關本身故障,導致損壞設備。
總結
三腳二檔撥動開關結構簡單,使用方便,功能強大,是電路控制的重要部分。在使用時應該注意安全問題,正確操作以及維護保養等,以確保電路安全、正常運轉。同時,在選擇開關時也應根據具體需求,選用適合的類型,以優化電路性能。
穎鑫官方微信