
撥動世界 智造未來
小型化電子零部件制造廠家
專注?撥動開關研發生產 · 十年行業經驗
本頁面為你詳細介紹穎鑫電子撥動開關-大電流撥動開關K3-1391B產品內容,包撥動開關-大電流撥動開關K3-1391B的用途、型號、范圍、圖片等,在這里你可以得知所有撥動開關-大電流撥動開關K3-1391B新聞以及最新的市場撥動開關-大電流撥動開關K3-1391B廠家價格.咨詢電話:0769-33373777
產品簡介 Product brife:
撥動開關是通過撥動開關柄使電路接通或斷開,從而達到切換電路的目的的。撥動開關常用的品種有單極雙位、單極三位、雙極雙位以及雙極三位等,它一般用于低壓電路,具有滑塊動作靈活、性能穩定可靠的特點,撥動開關主要廣泛用于:各種儀器/儀表設備,各種電動玩具,傳真機,音響設備,醫療設備,美容設備,等其它電子產品領域。
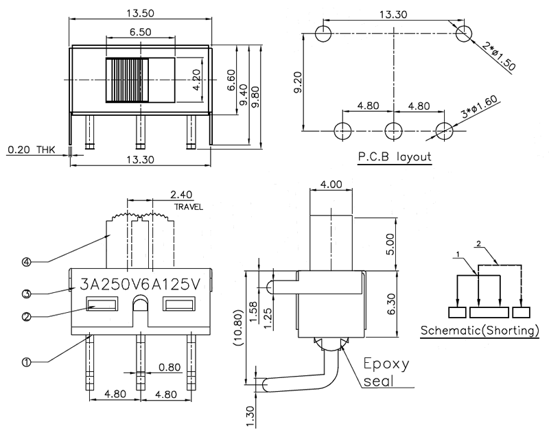
產品圖紙 Product drawing:

技術參數 technical parameter:
按鍵撥動開關技術參數:
1.額定負荷: AC 125V 2A
2.接觸電阻: ≤50mΩ
3.絕緣阻抗: ≥100mΩ AC125V
4.使用溫度: -16℃+60℃
5.使用濕度: ≤85%RH
6.操作力 :300±100gf
7.使用壽命: 10,000 Cycles
如需了解更多撥動開關-大電流撥動開關K3-1391B信息請關注:m.sytaike.cn
穎鑫官方微信